一、產品簡介
LXLCY-40WL~600WL系列大口徑無線遠傳水表采用了水平干式可拆卸螺翼式水表為基表,是用來測量單向水流的自來水管道飲用冷水的總量及水表數據遠距離傳輸的智能儀表。水表的通訊采用了Lora或NBioT通訊模塊,把水表窗口示值直接上傳給網絡采集設備,從而完成數據的采集、分析和監測。是水務集團、廠礦企業、政府有關用水部門對水資源測控的較理想產品。本產品符合GB/T778.1~3-2007、CJ/T224-2012標準。
本類水表配合智能抄表系統設備及軟件,就能組成智能抄表系統,實現遠程抄表及數據管理等功能。
二、產品特點
1.大口徑無線遠傳水表采用分體式設計,安裝及維護更加簡單方便;
2.采用先進的數據編碼及校驗技術,通訊可靠性高;
3.采用水平螺翼式計量結構,計量精度高、抄表方便、外型美觀;
4.無線模塊與基表采用分體式安裝,互換性好,電子單元安裝在獨立的全密封腔體內,防水性能達到IP68等級。
三、基表性能參數
1.脈沖常數:1P/100L 或1P/1m3(1P/1000L)可根據客戶定制;
2.水溫:0.1~+50℃(冷水)、0.1~+90℃(熱水) 濕度:0~95%RH;
3.最大允許通水壓力:1MPa;最大壓力損失:0.063Mpa;
4.機電轉換誤差:ΔV≤±1個機電轉換信號當量。
四、流量技術參數
| 型號 | 公稱口徑 DN | 計量等級 | 過載流量 Q? | 常用流量 Q? | 分界流量 Q? | 最小流量 Q? | 最小讀數 Min | 最大讀數 Max |
| mm | m3/h | m3 | ||||||
| LXLCY-40WL | 40 | B | 20 | 10 | 0.8 | 0.2 | 0.0002 | 999999 |
| LXLCY-50WL | 50 | B | 30 | 15 | 3 | 0.45 | 0.0002 | 999999 |
| LXLCY-65WL | 65 | B | 50 | 25 | 5 | 0.75 | 0.0002 | 999999 |
| LXLCY-80WL | 80 | B | 80 | 40 | 8 | 1.2 | 0.002 | 999999 |
| LXLCY-100WL | 100 | B | 120 | 60 | 12 | 1.8 | 0.002 | 999999 |
| LXLCY-125WL | 125 | B | 200 | 100 | 20 | 3 | 0.002 | 999999 |
| LXLCY-150WL | 150 | B | 300 | 150 | 30 | 4.5 | 0.002 | 999999 |
| LXLCY-200WL | 200 | B | 500 | 250 | 50 | 7.5 | 0.002 | 999999 |
| LXLCY-250WL | 250 | B | 800 | 400 | 80 | 12 | 0.002 | 999999 |
| LXLCY-300WL | 300 | B | 1200 | 600 | 120 | 18 | 0.02 | 9999999 |
| LXLCY-350WL | 350 | B | 1600 | 800 | 160 | 24 | 0.02 | 999999999 |
| LXLCY-400WL | 400 | B | 2000 | 1000 | 200 | 30 | 0.02 | 999999999 |
| LXLCY-500WL | 500 | B | 3000 | 1500 | 300 | 45 | 0.02 | 999999999 |
| LXLCY-600WL | 600 | B | 6000 | 3000 | 600 | 90 | 0.02 | 999999999 |
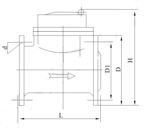
五、外形及規格尺寸


六、安裝使用與維護方法
1.安裝示意圖

2. 模塊不能浸泡在水中,安裝時用螺釘固定在牢固墻面,引出天線不能被金屬材質的水表井覆蓋,避免信號屏蔽無法遠程抄表。
3.基表輸出引線定義

七、水表配件
隨同每只水表附帶法蘭墊片2只,合格證1份,產品說明書1份。
八、注意事項
大口徑無線遠傳水表正常工作的環境溫度應在0℃以上,在冬天來臨前及寒冷地區,水表的使用、管理部門請務必做好水表防凍工作。
凡是因水表安裝不當、使用不當、管道破裂、水表結冰、冷凍等原因造成的水表損壞、漏水及因停水、漏水產生的其它相關損失(如漏水浸泡地板、家具、設備等)一律由水表的管理者、使用者負責,產品供應商和生產廠家不承擔任何責任。
九、運輸儲存
大口徑無線遠傳水表運輸和拆封不應受到劇烈沖擊,應根據《CJ/T 224-2012電子遠傳水表》行業標準的規定運輸和儲存。水表應保存在原包裝內,保存的地方環境溫度為5℃~50℃,相對濕度不超過90%,層疊高度不超過五層,空氣中無腐蝕性氣體。